射频下变频器:扩展传统射频监控解决方案的实用方法
射频频谱监控变得越来越具有挑战性和复杂性。随着诸如毫米波5G,雷达等不断推向更高频段的应用以及正在传输的无线信号的分集和带宽不断增加,RF专业人员需要解决方案以跟上快速发展的无线格局。
过去的射频测试和测量解决方案无法适应这种新的射频信号环境。随着新信号的不断出现,军事机构必须能够灵活地调整其系统,以适应新的作战需求,同时管理日益紧张的资源和预算。对于许多RF专业人员而言,升级其现有设备-甚至批发替换它们-是不切实际的选择。迫切需要更具创新性和成本效益的方法来应对这个新的RF世界的挑战。
尤其是航空航天和国防(A&D)组织正在为其智能收集和维护应用程序脱离定制的,单一用途的RF监视解决方案,而越来越多地要求其合作伙伴和供应商提供商用现货(COTS)解决方案。由于商用技术趋向于更快地发展,因此事实证明它们更适合于创建可以适应不断发展的无线环境的系统。
射频专业人员无需购买日益复杂和昂贵的频谱监测设备,而是拥有其他选择。
本文探讨了下变频器在高频应用中作为射频测量解决方案不可或缺的一部分的用途。下变频器与其他RF测量组件结合部署,可以扩展现有测试和测量设备的频率范围,从而以比其他一体式一体机解决方案低得多的成本实现高性能。
1. 射频下变频器:扩展传统射频监控解决方案的实用方法
随着RF信号进入越来越高的频率,RF工程师需要可以捕获这些信号的测试和测量解决方案。例如,如果他们现有的测试设置旨在监视Wi-Fi和4G网络,则该设备可能无法捕获6GHz以上的信号。RF运营商可以使用下变频器及其当前的测试和测量组件来捕获更高频率的信号,而不用支持这些更高频率的新组件来替换其现有设备,以捕获更高频率的信号-并保留他们在当前RF上进行的资本支出(CapEx)投资仪器。
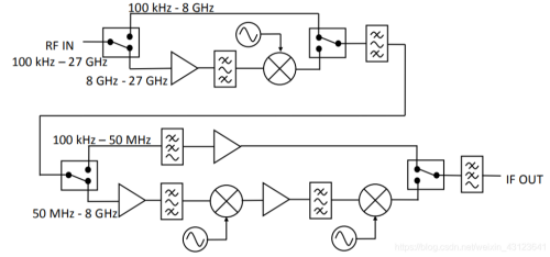
下变频器代表一个相当简单的概念-将输入的较高频率的RF信号转换为处于用于分析它的仪器带宽之内的中频-但它们是构建高性能(且经济高效)RF的强大组件信号监控解决方案。下面的框图显示了一个下变频器,该下变频器由诸如带通滤波器,低噪声放大器和混频器之类的RF组件组成。
射频运营商可以使用下变频器及其当前的测试和测量组件来捕获更高频率的信号,而不用支持这些更高频率的新组件来替换其现有设备,以捕获更高频率的信号-并保留其在现有设备上进行的资本支出(CapEx)投资射频仪器。
下变频器有效地增加了所连接信号分析仪的现有RF范围功能。它们允许以更高的频率进行测量,下变频为中频(IF),然后发送到分析仪进行后处理和分析。但是,并非所有下变频器都是一样的:市场上无数的下变频器选项范围广泛,包括外形尺寸(从集成芯片到1插槽模块,再到独立组件),功能(从6GHz到72GHz的上限频率),价格和价格-许多取决于供应商,需要同一制造商的互补模块或底盘才能运行。
标准块下变频器采用一定范围的输入信号频率,并将其向下转换为较低的频率范围。换句话说,输出频率不是固定的,而是根据输入频率而变化,这使接收器与之连接的接收机的工作变得复杂。此外,模块下变频器可能不包括内置本地振荡器,有时需要用户在外部提供一个振荡器,从而增加了成本,整体尺寸和复杂性。
一个下变频器模型相对于另一个下变频器模型的适用性最终归结为成本,功能和性能,以及所使用的RF应用。
使用D2030下变频器将ViaviCellAdvisor的频率范围扩展到毫米波频率
2. 5G世界中的下变频器应用
下变频器能够以高于信号设备能力的频率捕获和测量RF信号。实际上,与使用传统的多合一射频测试解决方案相比,此功能使射频领域的运营商既可以利用现有的射频设备,又可以捕获更复杂的宽带波形,而成本却低得多。
这两个优点对于涉及技术监视对策(TSCM)和信号情报(SIGINT)的A&D应用尤为重要。
扩展现有的RF信号检测设备
监管机构和A&D组织已在频谱分析解决方案上进行了大量投资,以检测和定位当前蜂窝和Wi-Fi频段中的干扰-但该设备的频率范围通常仅为6GHz。大多数组织没有预算用于大量购买更多设备的预算,仅仅是为了改善频率性能。
随着5G移动和无线通信技术继续利用更高的频率(尤其是28GHz频段),RF工程师和技术人员必须具有监视这些频率中是否存在干扰或感兴趣信号的能力。
通过将ThinkRFRF下变频器与任何现有频谱分析仪集成在一起,他们可以监视,检测和分析50MHz至40GHz范围内的信号-无需升级或更换现有设备。另外,这种方法使这些组织可以节省培训成本。由于他们的RF专业人员仍然可以使用他们现有的信号分析设备,因此在采集和分析更高频率的信号时没有新的学习曲线,因为下变频器会将感兴趣的信号转换为他们已经识别的信号。
以较低的成本实现宽带信号测量
与较高频率信号相关的高数据速率需要更宽的带宽,从而使这些信号更难以捕获和分析。同样,跳频信号在A&D通信对策应用中很常见,并且需要宽带监视功能才能进行正确的检测和分析。
无需购买昂贵的宽带系统来捕获和分析这些RF信号,RF工程师可以使用下变频器在更经济高效的解决方案中满足更宽的带宽要求,而无需牺牲性能。
例如,通过与交错调谐并行运行多个同步ThinkRF下变频器,可以以低得多的成本捕获和分析宽带信号。当与高速数字化仪和信号分析软件等其他组件结合使用时,RF工程师将拥有用于高达40GHz的微波测试和测量应用的整体测量解决方案,其中包括宽带信号记录系统。
3.结论
随着RF频谱环境继续以惊人的速度发展,在RF通信空间中运作的组织和机构以及支持它们的RF测试和测量设备提供商必须跟上发展的步伐。随着信号复杂性的提高,尤其是在A&D领域中RF应用的特殊性,负责监视这些新频段的组织需要能够延长现有测试设备寿命并以合理成本提供性能的解决方案。
传统RF测试设备的庞大且有限的可扩展性使RF市场朝着更加开放的方法组装RF测试和监视系统的方向发展。如果将简单但功能强大的组件组合到单个解决方案中,则可以在低成本平台上提供增强的性能,同时仍保留现有投资。下变频器用于测量高频信号的应用就是这种灵活方法的典型示例,它使RF组织无需更换现有设备即可利用新兴的RF技术。
对于A&D机构来说,这种方法将解决RF工程师在设计21世纪信号检测和监视应用程序时面临的许多挑战。










关注微博
关注微信
关注公众号
关注抖音号