全国服务热线 400-033-8869
语言
关于我们

Company Profile

PA视讯科技微波小课堂_简约而不简单的射频SOI开关设计

04-21

PA视讯科技微波小课堂_简约而不简单的射频SOI开关设计
在你拿着手机打电话或者上网时,你可能不会想到,在手机里有种小小的射频器件,在以每秒钟近千次的速度快速切换,帮助你享受到高速、低延迟、高清晰度的通信服务。这个小器件就是射频开关(RF Switch)。

射频开关是一种能够让手机在不同射频信号通路之间切换的器件,它就好像是信号的“桥梁”,不断将信号通路连接或切换。射频开关应用的范围也很广泛,在2G/3G/4G/5G蜂窝通信系统、Wi-Fi、蓝牙、GPS等系统中,均是不可或缺的器件。

和家里电灯开关一样,对于射频开关来说,只有“打开”、“关闭”两种状态,功能非常简约。但这种简约的功能背后,却隐藏着复杂而精妙的设计思路,以及不简单的技术挑战。

本文将从目前手机中最常用的开关:SOI开关出发,讨论“简约而不简单”的射频开关设计。

1、射频开关:功能简约 

1.1功能简约

正如其名称一样,开关的功能就是“开”和“关”。射频开关也不例外,射频开关是工作在射频频段的开关,其功能就是控制射频信号的“通”与“断”。

目前手机中应用最广泛的是半导体器件开关,如RF-SOI开关,pHEMT开关等。这些半导体开关的功能与普通的电气开关相同,符号表示也一致。

图片

图:(a)电气开关 (b)开关符号 (c)半导体开关

1.2应用简约

在射频系统中,射频开关扮演着重要的角色。射频开关的主要功能有:

【1】频段选择:使信号在多个不同的射频通路间切换

【2】收发切换:在TDD(时分双工)系统中,完成接收与发射的切换

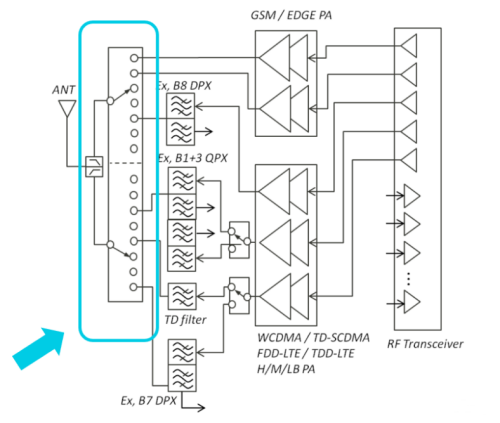
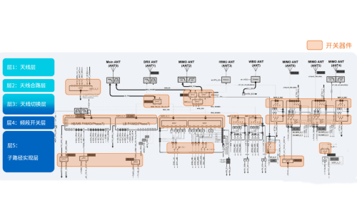
【3】天线切换:在多天线系统中,使信号在不同天线间切换

射频开关器件大量分布在射频前端系统中,在天线切换层、频段开关层及子路径实现层中需要用到多个射频开关器件。

图片

图:射频开关器件在射频前端系统中的分布

1.3评价简约

开关的评价也非常简约:开启的时候能量尽可能多的传过去;关闭的时候能量尽可能少的漏过来。

开关有两种工作状态,分别是“开启on”和“关闭off”。对于半导体晶体管制作的开关,晶体管在on状态可近似等效为一个电阻,这个电阻的阻值就被定义为图片;晶体管在off状态时可近似等效为一个电容,这个电容就被定义成图片。这就是衡量开关本征性能的两个最重要参数:图片与图片参数的来源。

图片

图:(a)on状态的R(on);(b)off状态的C(off)

在on状态下,由于R(on)在你是串接在射频通路中,所以R(on)就决定了开关损耗的大小;而在off状态下,C(off)的存在会造成信号的泄露,所以C(off)决定了开关隔离的大小。R(on)与C(off)两个参数都是越小越好。

在晶体管作为开关的设计中,还有一个非常有意思的特性,即R(on)与C(off)的乘积是定值。理解起来也比较直观:当设计中想要用多个晶体管并联来实现低的串联电阻时,R(on)会呈倍数的减小,但因为是晶体管的并联,这时C(off)却会呈倍数的增加。二者的乘积始终不变。

这一特性也使得R(on)*C(off)成为衡量开关特性的简约衡量指标,评价一个工艺作为开关使用的优劣,不论取什么尺寸的晶体管,只需要将其R(on)与C(off)相乘,就可以得到其特性参数。如下图为文章[1]中不同RF-SOI工艺的对比,可以看到,不同工艺的R(on)与C(off)乘积会有不同,大致在115fs至165fs之间,但相同工艺下的多种器件得到的乘积基本相同。

图片

图:不同工艺的R(on)与C(off)

由于R(on)与C(off)乘积决定了开关插损与泄露能量的大小,所以在设计低插损、高隔离开关时,应尽量选择低R(on)与C(off)乘积的半导体工艺。

2、射频开关:做好不简单 

虽然对于一个射频来说,功能、应用评价都非常简约、直观,但想要将开关做好却并不容易。主要原因在于射频系统越来越复杂,对于“架桥铺路”功能的射频开关也提出了越来越高的要求:

a).发射通路上的开关必须要承载大功率的通过

b).切换速度要足够的快

c).复杂系统下,开关的“刀”和“掷”数目激增

这就像是将原来只负责通过40公里时速小车的一分二岔路口,变成大型立交桥,并且还需要保证重型大车以120公里时速的快速通过。这对“立交桥”设计提出了极高的要求。


图片


图:(a)简单系统中开关要求(b)复杂系统中开关要求

2.1大功率的处理

根据YOLE的预测[2],至2023年,全球手机市场所用到的开关主要集中于SOI与MEMS两种工艺,并且SOI会是绝对的主流工艺。

图片

图:手机开关所使用的工艺

除了MEMS之外,可以用于手机的工艺还有很多,比如半导体工艺中的GaAs pHEMT、GaAs FET等,这些工艺在微波毫米波、卫星通信等有广泛应用。另外,普通CMOS工艺也可以用于低频、高插损的开关设计。SOI之所以能够从这些工艺中竞争胜出,还是因为其作为开关使用时的重要优势:

    【1】低插入损耗:SOI开关具有低阻抗和低电容,可以减少RF路径中的信号衰减和功耗;

    【2】宽带宽:SOI开关可以在很宽的频率范围内工作,从9 kHz到44 GHz甚至更高,这使得它们能够支持多种标准和频段;

    【3】CMOS兼容的正极控制接口:SOI开关可以与CMOS逻辑电路轻松集成,并由正电压信号控制,这简化了设计并降低了成本;

    【4】坚固的ESD保护:SOI开关在所有引脚上设计具有高ESD耐受性电路,这增强了RF系统的可靠性和耐用性。

与SOI相比,GaAs pHEMT开关虽然具有良好的线性度和隔离度,以及低的通态电阻和截止电容。但它们需要负的栅极电压、有限的集成能力和低的ESD保护,并且GaAs pHEMT工艺价格高,不利于低成本规模应用。这些都使得SOI可以实现射频开关后,迅速将GaAs pHEMT等工艺取代。

但SOI进军开关市场的路径也并不顺利,SOI需要解决的首要问题就是功率问题。

对于手机来说,发射通路中的功率一般在1W量级附近,对于50 Ohm系统来说,射频摆幅会到10V以上,考虑到负载变化带来的影响,这个电压甚至可能会超过20V。而SOI中的MOSFET器件击穿电压只有2V左右,功率耐受在最初的时候成为SOI在手机开关应用中的最大问题。

但这并不是技术不可以解决的问题,一些SOI的先驱厂商的工程师做了聪明的尝试。2015年,Peregrine公司的工程师Dylan Kelly等人成功利用SOS(Silicon on Sapphire,蓝宝石上硅)工艺,采用叠管技术,支持高的耐压摆幅,设计制造出可以满足手机GSM应用的6T射频开关,并且性能与GaAs pHEMT媲美[3] 。由此拉开了SOI设计手机射频开关的序幕。

图片

图:SOI工艺中,依靠叠管来支撑高的电压摆幅

采用叠管之后,虽然串联使用时,on状态的电阻R(on)会倍数级的增加,但off态的C(off)寄生电容会同倍数的减小。所以可以采用增大晶体管面积的方式,使R(on)减小至原来值,这里C(off)也增加至原来值。R(on)与C(off)的乘积依然保持不变,开关的损耗与隔离特性并没有受到影响。耐压增加又不影响射频性能,叠管设计这一方法瞬间在射频开关应用中普及开来。

下图为Peregrine公司2005年设计的GSM手机开关[3]。开关采用8个叠管的设计,共有6个支路。支路1和2对开关插损有高要求,所以选了较大的晶体管尺寸,而3/4/5/6之路插损和尺寸之间做了折衷,晶体管尺寸比1和2之路小了一半,所以Ron电阻也会增大一倍。

图片

图:Peregrine 2005年设计的SOS CMOS开关

需要说明的是,以上分析均是假定开关几个叠管之间可以完美的将功率进行均分,但在实际设计中,想要控制电压均匀分布也不是易事,需要仔细设计偏置电路,并将寄生效应完整考虑进来。否则虽然设计上进行了叠管设计,但很有可能对于应对大功率无济于事。

如果在大功率方面处理不好,很好可能造成开关烧毁,造成不可恢复的可靠性问题。所以开关的大功率问题,是开关设计不简单的首要注意问题。

2.2切换速度的处理

为了实现更优的射频体验,5G引入了很多新特性。比如更灵活的子载波配置、天线轮发系统等,这些功能都对开关的切换时间有了进一步要求。在4G时代,开关切换时间的设计目标一般在2us左右,但在5G系统中,这个设计目标已经降低到0.5us以下。

图片

图:5G系统中复杂而快速的切换网络

快速切换给开关设计提出了很高的要求。在开关设计中,切换速度的提升主要通过在偏置电路中的优化实现。比如可以通过以下方式来提升开关切换速度:

    【1】优化控制逻辑拓扑,简化控制路径

    【2】提升控制电路驱动能力,快速实现控制信号的切换

    【3】优化偏置电路,缩短控制信号充放电时间

为了实现更高的切换速度,一些创新的方法也被引入进来。比如文献中提出,可以在开关切换的过程中,可以将用于隔离射频与偏置的偏置电阻暂时切除,以达到快速控制切换的目的。在切换完成后,再将偏置电阻补充回来,保证射频性能不受影响。采用这种方法,文章完成了0.35us切换时间的5G开关设计。

图片

图:文献提出的快速开关切换电路(a)传统方式(b)切换偏置电阻方式

偏置电路的优化需要结合射频性能进行,速度的提升需要建立在射频性能尽量不受影响的基础上。开关速度的处理是开关设计中另外一个不简单的问题。

2.3复杂架构的处理

在从“岔路口”到“立交桥”的演进过程中,开关的拓扑结构越来越复杂,由此也带来一系列的设计问题。比如其他支路的寄生处理、多支路之间的耦合、多通道同时开启的相互影响等。这些问题都给5G手机开关带来挑战。

开关一般用“刀”和“掷”来定义架构。刀的英文是的英文名称是Pole,简称P,指开关中的活动刀轴;掷的英文名称是Throw,简称T,指开关的活动刀头可以通向的触点数目。

比如,1P2T开关,指的就是开关有1个活动刀轴,可以通向2个通路;而2P6T,指的就是开关有2个活动刀轴,可以通向6个通路。在日常开关使用中,“1”也被称为Single,“2”也被称为Double,以1P2T与2P6T开关为例子,日常也被称为SPDT,与DP6T。

图片

图:SP2T与DP6T开关

在复杂射频系统中,开关拓扑主要会被扩展为多T、多P与多通三种类型。

图片

图:复杂的开关架构

多T处理

多T指的就是开关有非常多输出口。在使用中,同一时刻只会有一个开关开启,但其他关闭状态的开关都是寄生的电容负载。

在多T开关的设计中,为了减少过多关断开关对导通支路电容寄生的影响,同时增加隔离度,可以采用将多T开关分组的方式进行设计。文献[5]中16T开关分为四组,分别为GSM、LTE1、LTE2与Rx,在减小互相之间影响的同时,可以针对性的对不同需求进行设计。

图片

图:SP16T开关设计

多P处理

多P指的是开关有多个活动刀轴。和机械开关多放置几个活动刀头就可以解决不同,半导体开关必须要通过通路矩阵的方式依靠拓扑来实现。

以DPDT开关为例,文献[6]中给出了其中一种实现方式。可以看出,与SPDT开关相比,其通路数目增加一倍。如果开关的P数与T数进一步增加,开关设计复杂度也会指数级增加。

图片

图:DPDT开关的实现

多通处理

多通(Multi-on)是指开关的两个或者两个以上支路可以同时打开。

多通需求的原因是因为手机载波聚合(Carrier Aggregation,CA)以及4G/5G双连接(LTE/NR-Dual Connection,EN-DC)的需求。这些需求中需要两个射频通道同时工作,所以就需要开关支持多通功能。

在MTK所发布的射频前端规划中,也提出过对多通开关的需求。例如在MTK提出的支持CA的架构中,就依赖于天线开关的两通道同时打开[7]。

图片

图:射频前端中的多通开关

开关的双通道打开也对开关提出了新的需求,首先需要开关可以处理好两个频段之间的干扰问题,同时还需要使两频段间的工作状态尽量少的相互影响。

以上框图为互相独立的两个射频通路间同时打开,在5G的系统架构中,有时还需要将同一个开关口同时连接到不同的输出口,这对开关设计提出了新的要求。

以上开关的复杂架构演进,也让开关设计不再简单。

总  结   

在射频前端的四大件中,和PA、LNA、滤波器比起来,射频开关看起来是最简约、最常见的器件,也经常被人们认为是最简单的射频器件。

但射频开关也是应用场景最为复杂的器件,不管是在复杂射频系统构建、还是在射频通路切换中,都可以看到射频开关的身影。不同系统需求下,对开关的要求也是千差万别。要应对好不同场景下的需求,开关设计并不简单。

随着5G的到来,射频前端系统越来越复杂,射频开关也在5G系统构建中大显身手。随着对射频性能要求的提升,以及未来6G的到来,开关应用会更加广泛。

在开关设计中,了解开关的应用场景,有的放矢,才可以选择合适的开关设计。


参考文献:

[1].M. Jaffe et al. , “Improvements in SOI technology for RF switches,” 2015 IEEE 15th Topical Meeting on Silicon Monolithic Integrated Circuits in RF Systems (SiRF), San Diego, CA, USA, 2015, pp. 1-3

[2].YOLE,5G’s impact on RF front-end industry, 2017

[3].D. Kelly et al., “The state-of-the-art of silicon-on-sapphire CMOS RF switches”, IEEE Compound Semiconductor Integrated Circuit Symposium, 2005. CSIC '05.

[4].W. Seo et al., “High-Powered RF SOI Switch With Fast Switching Time for TDD mobiles Applications”, IEEE Access, Volume: 11, 2023

[5].Jie. Cui et al., “Monolithic Single-Pole Sixteen-Throw T/R Switch for Next-Generation Front-End Module”, IEEE Microwave and Wireless Components Letters, Vol. 24, No. 5, 2014

[6].Bo. Yu et al., “DC 30-GHz DPDT Switch Matrix Design in High Resistivity Trap-Rich SOI”, IEEE Transactions on Electron Devices, 2017

[7].MediaTek, “LTE RF Front-End Architecture for Mass Market”, MediaTek White Paper, 2014

Copyright © 2011-2023  北京PA视讯科技有限公司 版权所有 京ICP备93514088号-1 All Rights Reserved
 
PA视讯
网站地图