全国服务热线 400-033-8869
语言
关于我们

Company Profile

PA视讯科技微波小课堂_一文详解射频收发机的发展

06-25

你知道吗?你手中的智能手机,其实是一个强大的无线电收发器。它可以让你用手机打电话、发短信、上网、看视频、玩游戏;也可以帮助你用无人机拍摄美景、控制智能家居……这些都是无线通信的奇妙应用,给人类生活带来了无限的便利和乐趣。无线通信是采用射频信号作为媒介进行信号传输的技术,要完成无线通信,就首先需要把信号先转换为射频信号。

射频收发机(RF Transceiver)”就是这样一种装置,它负责把基带信号、模拟信号转化为射频信号,交给放大器、天线输出;还负责把接收到的射频信号还原为基带信号、模拟信号,让这些信息变成可看到的视频、可听到的声音。射频收发机是无线通信中的基础模块,是手机、卫星通信、雷达等无线通信设备中必要的构成部件。

射频收发机的历史可以追溯到19世纪末,当时人们利用电磁波进行无线电报通信。随着科技的进步,射频收发机也不断地演变和创新。从最早的晶体管收发机,到后来的集成电路收发机,再到现在的多频多模收发机,射频收发机的性能、功能和规模都有了巨大的提升。

随着5G的到来,手机系统变的越来越复杂,对射频收发机也提出更高的要求。5G手机中的RF Transceiver芯片是如何一步步演进而来的,未来又有什么演进趋势?接下来,我们将详细介绍射频收发机的基本原理和结构,并探讨它在2G到5G通信中的不断演进。

射频收发机简介  

“射频收发机”一词翻译自Radio Frequency Transceiver。Transceiver一词是发射机(Transmitter)与接收机(Receiver)的合成词,通过这个词的构成就可以看出,Transceiver的功能是完成信号的发射与接收。

在行业应用中,为了与收发机设备整机区分,射频收发机一般被直接称为Transceiver,有时也被简写为XCVR。在一些SoC芯片厂商中,Transceiver芯片因为是一颗射频芯片,所以也被称为RFIC。

虽然Transceiver也是负责信号的发射与接收,但其功能与同样具有发射与接收功能的“射频前端(RF Front-end)”不同。射频前端一般指天线之后,用于处理射频信号的通路、信号强度的部分,包含四大基本模块:功率放大器、低噪声放大器、开关、滤波器。而Transceiver负责将模拟信号和射频信号进行相互转换:在发射时将模拟信号转换为射频信号,在接收时将射频信号转换为模拟信号。

Transceiver与射频前端的关系就像是一对兄弟。哥哥Transceiver头脑清晰,是一家之主,不断地将信息放置在合适的射频通道上;再把合适的射频通道的信号取下来,转换成有用的信息。弟弟射频前端身体条件好,可以把哥哥转换好的射频信号用强大的力气发射出去;同时还可以把非常微小的射频信号小心放大,交给哥哥处理。

哥哥和弟弟一定要配合紧密,才能完成信号的完美收发。如果需要设计和使用好射频前端芯片,就一定要对Transceiver芯片的工作原理有所了解。

Transceiver芯片与基带芯片、调制解调芯片、射频前端芯片在系统中的构成如下图所示。

图片

图:射频系统构成

为什么要进行射频传输  

Transceiver的主要功能是完成模拟信号到射频信号的传输,在了解Transceiver之前,首先要回答的第一个问题就是:为什么要进行射频传输?

射频传输是利用电磁波在空气或其他介质传播的特性,将信息以射频信号形式进行无线传输的过程。射频信号的频率范围一般为3kHz到300GHz。

射频传输有以下几个优点: 

射频传输可以克服有线传输的物理局限性,实现远距离、无障碍、移动和灵活的通信

射频传输可以实现多用户、多场景通信,利用多种调制、复用和编码技术,提高通信效率和质量

射频传输可以实现更复杂的组网,利用多种天线技术,如定向天线、智能天线、相控阵天线等,实现信号发射与接收方向的控制和优化

射频传输可以实现比有线传输更强的保密性,利用加密、扩频和跳频等技术,提高通信安全性

射频传输是无线通信技术的基础和核心,它为人类社会带来了巨大的便利和价值。为了实现射频传输,重要的一个步骤就是将日常中的图像、声音、视频等信号,转化为射频信号。模拟信号转换为射频信号的过程,就是射频收发机的主要功能。

历史上重要的“Transceiver”电路  

19世纪末:雏形显现

自1864年麦克斯韦提出电磁波理论以来,人类一直想象着这个看不见、摸不着的神奇物体在哪里才能用起来。1895年前后,马可尼、波波夫、特斯拉等人均意识到电磁波可以用来实现有线通信的无线化,并设计了无线电发射、接收器原型。1896年,意大利天才无线电工程师马可尼获得了世界上第一个无线电专利,由此也打开了无线电通信快速发展的大门。

在马可尼设计的射频转换电路中,发射机使用摩斯电码键作为输入,产生间歇性电流脉冲,脉冲信号连接至高频振荡器,由此摩斯电码就可以完成对高频信号的调制,调制后的信号通过天线发射到空间中。在接收机中,马可尼使用了金属粉末检波器,通过检波,可以将无线信号转换为可以听见的声音信号,并通过耳机输出。由此,马可尼完成了人类历史上首个“Transceiver”电路。这篇专利也成为马可尼获得诺贝尔物理学奖的重要依据之一。

图片

图:马可尼和他设计的射频收发电路

随后,马可尼对此架构做了改进,加入了调谐电路,可以改变电路的震荡频率,更加方便了无线电信号的发射与接收。马可尼使用他发明的无线电系统,分别实现了跨英吉利海峡及跨大西洋的通信。

如果说马可尼的发明只是带领人类简单领教无线电的功能的话,1907年,美国工程师德·福雷斯特(De Forest)发明的真空三极管就使得全球范围内的广播、电话、通信成为了可能。德·福雷斯特发现在真空二极管的基础上,增加一个栅极可以进行对二极管电流的控制,根据这个特性,德·福雷斯特发明了放大器、振荡器等电路,使无线信号的放大和振荡成为可能,进而帮助了无线电广播和远程电话的实现。

外差与超外差:走向现代

外差收发机的英文名是Heterodyne,是人类Transceiver历史上的伟大发明。

外差是通过混频技术,将两个频率的信号混合而创建新的频率信号的技术。两个输入信号通过一个非线性器件(如真空管、晶体管或二极管)进行混频,如两个频率为f1与f2的信号,混频之后会产生f1+f2与f1-f2两个新频率的信号。这种现象叫混频处理,用于实现混频的非线性器件被称为混频器。

通过混频,就可以将原来在空间传播的电磁波,变换为人耳朵可听到的较低的频率范围信号,再通过简单的检波器,就完成了信息的接收。

1901年,雷金纳德·费森登(Reginald Fessenden)展示了这种架构的收发机,虽然此时三极管还未发明,振荡器的工作频率还无法稳定,但这种架构为现代Transceiver奠定了坚实的基础。

图片

图:费森登和其发明的外差接收电路

在发明这个架构后,费森登从希腊单词“Hetero-”(不同的,差异的)和“dyn-”(动力、能力)得到灵感,将此种架构取名为Heterodyne,中文翻译为“外差”。

发现了“外差”现象后,工程师们继续探索。工程师们发现采用更高频率的电磁波传输时,对于某些应用场景有帮助,但工作于高频率的放大器极难设计。工程师就想,既然原来外差的思路是把声音频率的信号,通过混频搬移到高频电磁波频率,那对高频率信号放大的时候,是不是也可以先在比较低的射频频率进行放大,然后再通过频率搬移的方式,将放大后的信号搬移到高频率呢?这样不就可以省去对高频高线性的放大器需求了吗?

以上这个设计理念就是美国工程师爱德华·阿姆斯特朗(Edwin Howard Armstrong)等人在1918年提出的想法。频率搬移过程中,中间预先设定的固定射频频率被称为“中频”(中间频率,IF,Intermediate Frequency),由于这个频率超出了声音可听的范围,是“超声波”(supersonic),所以被命名为“超外差”(Super-Heterodyne)。

图片

图:超外差架构

相比于高频放大式收发机,超外差架构具有高灵敏度、高选择性和稳定性,能适应远程通信对高频率、弱小信号的接收需要。在过去100年时间里,超外差结构在无线通信系统中得到了广泛的应用。

零中频:方案简化,难度增加

零中频的思路是不再经过IF频率,而是直接将射频信号转化为0Hz频率范围的基带信号。由于相当于在超外差结构中将IF频率设为了0,所以称为零中频方案(Zero IF),又称为直接变频方案(Direct Conversion),以及零差方案(Homodyne)。

图片
图:零中频方案

零中频方案有其独特的优点,比如:

零中频方案可以简化设计,不需要先将信号搬移至中频

零中频方案可以解决超外差方案中的镜像抑制问题

零中频方案不需要中频滤波器等电路,便于做单芯片集成

零中频方案再也不需要经过一次中频转换了,看起来非常简洁,但这会给实际设计带来诸多问题:

没有中频的预处理后,基带输出电平会因为接收信号强度的不同出现很大范围的波动

本振频率与射频频率相同,可能造成信号泄露干扰

混频后的信号在0频率附近,可能会发生DC偏移

本地振荡器需要有精确的锁相,才能使射频频率准确搬移至0频率附近

正因为以上挑战,零中频架构在1924年被提出后,并没有得到大规模的推广。在1932年,工程师们采用本地振荡器与射频频率二者相比较的方式,修正本地振荡器的频率,可以让本地振荡器频率与射频频率锁定,这个电路也就成为了当今锁相环(Phase Locked Loop,PLL)的雏形。

零中频的其他一些问题也随着1958年世界上第一款集成电路被发明之后而被逐渐解决。集成电路的发展使得锁相环电路得以实现更复杂的功能,高动态范围、高补偿特性的电路使得电路可以应对空间大范围波动的射频信号。同时,零中频方案便于单芯片集成的特性使得其与集成电路的快速发展相得益彰。目前,零中频方案在手机、航空电子设备及软件定义无线电系统中得到广泛应用。

从2G到5G:Transceiver不断演进  

经过百年发展,射频Transceiver从原来只能发射/接收一个电火花,发展到如今支持全球频段、多功能、多模式的复杂芯片系统。进入21世纪后,通信协议仍在不断发展,也促使Transceiver技术不断演进。

2G:CMOS涌现,单片集成

2G蜂窝标准(以GSM为例)的主要应用是语音通信,2G于1990年后,在全球开始大规模商用。

2G手机的普及伴随着集成电路的快速发展而来。随着摩尔定律的演进,1995年前后CMOS工艺的特征尺寸已经缩小至1um量级。而0.6um特征长度的CMOS器件已经可以用于设计2.4GHz的射频电路,0.35um的器件甚至可以使5GHz的电路实现成为可能[2]。

仅仅具备单个射频模块的构建能力还不足以展示出CMOS工艺在射频应用中的优势,吸引大家关注CMOS工艺的还是其提供的大规模单片集成可能性。CMOS工艺原来是为数字工艺准备的,并且也可以做一部分模拟电路,如果连射频也能攻克下来,就可以实现复杂的模数、射频混合电路,同时做到单芯片的集成。因为这一特性,CMOS工艺实现的2G Transceiver成为当时的研究热点[2][3] 。

CMOS实现全集成的GSM Transceiver并不顺利,早期GSM Transceiver采用BJT技术,并且需要大量的外部器件[4]。随后,一些CMOS工艺设计的单频段的GSM Transceiver被设计出来[5][6],随后才逐渐开始设计出现多频段全集成的CMOS Transceiver芯片。文章[7]中展示了采用0.25um CMOS设计的全集成4频段GSM Transceiver设计,设计采用直接转换的接收机架构,和偏移本振的发射机结构,集成PLL、VCO、混频器、中频滤波器及放大器,芯片面积3.2x3.3mm。

图片

图:采用0.25um CMOS工艺设计的四频GSM收发机

3G:FDD收发同时,单片集成更大挑战

3G时代代表的通信制式是WCDMA,WCDMA是一种FDD频分利用系统,发射机与接收机同时工作在不同频率上,这对单片集成的Transceiver设计提出了更大的挑战。

在FDD系统中,接收机的接收灵敏度受以下四种情况影响,分别是:接收机的噪声系数;Rx接收带内的Tx噪声;Tx大信号的混频噪声;Tx信号的IM2产物。以上几种情况的影响中,有三项与发射机与接收机之间的隔离直接相关。

在3G Transceiver的设计中,可以采用增强LNA IIP2、增加陷波网络的方法解决阻塞问题,提升收发机的接收性能。文章[8]展示了采用0.18um设计的单片集成WCDMA/HSDPA Transceiver,文章利用数字信号处理和可调谐滤波器来消除外部元件,从而实现了高度集成和高收发抑制度的WCDMA收发器。

图片

图:采用0.18um CMOS工艺设计的WCDMA/HSDPA收发机

4G:频段碎片,CA增加

4G与智能手机几乎在同一时代出现,为了满足智能手机对高数据速率蜂窝通信的需求,越来越多的频段被开辟出来。运营商也在频率资源上展开激烈竞争,结果使得每个运营商掌握的都是非连续和碎片化的多个窄频段。在4G手机中,需要支持的频段可能多达40个。

频段的增加给Transceiver设计带来极大的挑战,在设计中,必须考虑充分的复用,来使子模块的数目维持在合理范围内。

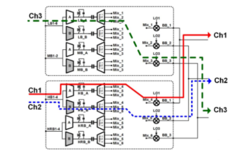
4G Transceiver另一个更大的挑战是CA(Carrier Aggregation,载波聚合)的支持。CA要求多个射频通路同时工作,而这些同时工作的信号之间不可避免的会产生耦合。在设计中,需要将射频通路有效分组。如下图所示支持3CC的LTE接收机系统,Ch1为2.1GHz信号,Ch2为2.3GHz信号,Ch3为700MHz信号。由于Ch1为Ch3信号的三倍频,所以二者之间需要分配至不同的混频器组[9]。

图片

图:支持3CC CA的4G LTE Transceiver设计

5G:MIMO/EN-DC,更多通路

5G到来使得无线通信的速率再次提升,Transceiver需要实现Gb/s吞吐量的收发功能。为此5G NR系统中引入了大规模的MIMO、高达200MHz的CA来实现。另外,加上LTE+NR双连接(EN-DC)的需求,5G NR Transceiver的设计难度大大增加。

文章[10]中,MediaTek提供了一种采用12nm CMOS工艺设计的5G Transceiver系统,该系统最多支持2个带间上行CA,6个带间下行CA,支持4x4 MIMO,并且支持NR 200MHz的CA。为了实现以上功能,该Transceiver集成了20个Rx路径,频率覆盖600MHz至6GHz频段。即使经过了内部的LNA复用技术,内部LNA还是达到了28个。Transceiver还使用了大量数字电路,来达到200MHz的带宽支持。在NR 200MHz/4x4 MIMO/256QAM下,可达到5Gb/s的吞吐量。

图片

图:采用12nm CMOS工艺设计的5G Transceiver

总  结   

随着协议演进,对终端的通信能力要求越来越高,射频Transceiver的功能从最早只需要完成一个电火花的接收与发射,到现在必须要完成每秒数Gb数据量的传输。这些需求给Transceiver设计带来极大挑战。

CMOS射频集成电路的发展使得这一切成为可能,基于不断演进的CMOS工艺,可以在单颗芯片上实现不同电路模块的集成,进而实现多个频段、多个模式,甚至多个通道的电路集成,使无比复杂的射频收发功能,都集成于方寸之间。

Transceiver的复杂实现,也使得Transceiver设计的门槛不断拉高。在早期3G时代,还存在多家设计射频Transceiver的第三方公司,到5G之后,移动终端的射频Transceiver已被头部SoC平台公司所垄断,如高通、联发科等。

随着Transceiver功能的复杂,也对Transceiver的使用及射频前端其他电路的配合提出了更高的要求。在高通及联发科最新的5G Transceiver使用手册中,除了介绍基本的性能之外,大量篇幅用于介绍Transceiver在CA、EN-DC下使用的注意事项,射频前端配合时需要的注意事项。

在未来,射频Transceiver将面临更多频段、更高带宽、更低功耗、更高集成度等要求。为了满足这些要求,射频Transceiver可能会采用更先进的工艺、更灵活的架构、更智能的控制等技术创新,同时也对Transceiver的应用和使用提出了较高的要求。

期待和您一起,更深入的了解射频Transceiver系统,更好的实现5G射频系统。

参考文献:

[1]. GUGLIELMO MARCONI, Patent 5028, March 5, 1896, http://www.alternativaverde.it/sttlcing/documenti/Marconi/1896/marc05031896.htm

[2]. A. A. Abidi, “The future of CMOS wireless transceivers,” in IEEE International Solid-State Circuits Conference. Digest of Technical Papers (ISSCC), San Francisco, CA, USA, 1997, pp. 118-119.

[3]. B. Razavi, “Challenges in portable RF transceiver design,” in IEEE Circuits and Devices Magazine, vol. 12,1996

[4]. T. D. Stetzler, I. G. Post, J. H. Havens, and M. Koyama, “A 2.7–4.5 V single chip GSM transceiver RF integrated circuit,” IEEE J. Solid-State Circuits, vol. 30, no. 12, pp. 1421–1429, Dec. 1995

[5]. P. Orsatti, F. Piazza, and Q. Huang, “A 20-mA-receive, 55-mA-transmit, single-chip GSM transceiver in 0.25-um CMOS,” IEEE J. Solid-State Circuits, vol. 34, no. 12, pp. 1869–1880, Dec. 1999.

[6]. M. S. J. Steyaert, J. Janssens, B. De Muer, M. Borremans, and N. Itoh, “A 2-V CMOS cellular transceiver front-end,” IEEE J. Solid-State Circuits, vol. 35, no. 12, pp. 1895–1907, Dec. 2000.

[7]. E. Song, Y. Koo, Y.-J. Jung, D.-H. Lee, S. Chu and S.-I. Chae, “A 0.25-μm CMOS quad-band GSM RF transceiver using an efficient LO frequency plan,” IEEE Journal of Solid-State Circuits, vol. 40, no. 5, pp. 1094-1106, May 2005.

[8]. B. Tenbroek, J. Strange, D. Nalbantis, M. Poulton and A. Burrows, “Single-chip tri-band WCDMA/HSDPA transceiver without external SAW filters and with integrated TX power control,” in IEEE International Solid-State Circuits Conference - Digest of Technical Papers (ISSCC), San Francisco, CA, USA, 2008, pp. 480-481.

[9]. Menzel, W., & Lee, K. (2015). A Rel-12 2G/3G/LTE-Advanced 3CC Cellular Receiver. IEEE Journal of Solid-State Circuits, 50(1), 54-68.

[10]. Ming-Da Tsai et al., "A 12nm CMOS RF Transceiver Supporting 4G/5G UL MIMO," 2020 IEEE International Solid-State Circuits Conference (ISSCC), San Francisco, CA, USA, 2020, pp. 180-182, doi: 10.1109/ISSCC19947.2020.9062939.


Copyright © 2011-2023  北京PA视讯科技有限公司 版权所有 京ICP备93514088号-1 All Rights Reserved
 
PA视讯
网站地图