[技术前沿]Phase8的到来将给5G带来什么?
2023年,5G商用第四个年头。“能用就好”的阶段已过,5G正在迈向“深度优化”。
中国5G手机出货在过去几年迅速提升,根据工信部统计数据,在中国市场,5G手机出货比例从2019年的4.7%,快速增长至2020年的52.9%,2021年增长至76.3%,2022年至今,这个比例稳定在77%以上。中国市场年出货手机中,已经有接近8成均为5G手机。
5G在国外也开始迅速部署。除了北美、西欧、亚太等5G先发地区外,南亚、东欧、北非、中南美洲等地区也在快速推进5G部署和商用。根据GSMA的统计,截至2023年,全球5G连接数将达到15亿,这一数字在2026年将翻一番,达到30亿。到2030年,全球手机连接数将达到50亿[1]。5G将在全球将迎来快速增长。

图:GSMA所做的全球无线通信连接数预测[1]
随着5G深度部署,5G方案也在不断演进,以适应更广泛的网络应用和用户体验。作为对终端无线通信能力有主要影响的5G射频前端方案来说,也在不断寻求优化和创新。2023年,5G射频前端方案最明显的变化就是Phase8系列方案的提出和讨论了。
Phase8方案究竟是什么?它与之前的Phase7、Phase5N方案有什么不同?它是未来的演进趋势吗?带着以上问题,本文就Phase8方案做一个梳理,与大家一起讨论近期热议之中的Phase8方案。
5G射频前端方案演进
射频方案演进
过去40年,通信协议10年一个大节点演进,完成了从2G到5G的跨越变革。与之同时,射频前端方案也不断变化。通信协议与射频前端方案相互影响、相互促进,共同推动了无线通信业务的发展与普及。
进入4G时代,为了应对4G时代射频前端的复杂性和多样性,为了满足全球不同运营商、终端厂商、器件厂商的需求,作为芯片平台厂商的MTK联合终端厂商、器件厂商共同发起定义了规范化、兼容化的4G射频前端方案。Phase系列射频前端从2014年开始定义,目前已经有Phase2、Phase3、Phase5、Phase6、Phase6L、Phase7、Phase7L、Phase7LE等多个版本,每个版本都根据不同的通信协议、载波聚合(CA)能力、集成度等因素进行了优化和创新。Phase系列射频前端伴随了整个4G的发展,占据了整个4G市场约80%的市场份额。(有关Phase系列的发展,请参加慧智微文章《从4G到5G,手机射频芯片十年之路》)[2]。

图:“Phase”系列射频前端的10年发展
Phase系列射频前端的出现有着重要的意义,它对无线通信技术和业务的发展和普及有着积极的推动作用。Phase系列射频前端的意义体现在:
■对于运营商来说,Phase系列射频前端实现的方案归一,充分保障了运营商新协议网络部署的推进,并帮助运营商实现了终端网络建设成本及运维难度的降低;
■对于终端厂商来说,Phase系列射频前端可以帮助终端厂商实现标准化的设计和生产,提高终端性能和效率,降低终端成本和风险;
■对于器件厂商来说,Phase系列射频前端可以帮助器件厂快速收敛归一开发方案,提高器件的兼容性,增加器件的合作机会;
Phase系列射频前端方案还给国内射频器件厂商与国际厂商“同台竞技”的机会,基于共同的方案定义,国内器件厂商可以快速的开发和推出符合市场需求的射频前端产品,缩短与国际厂商的差距,实现自身竞争力的提升。在过去Phase系列流行的10年里,中国射频器件厂商也在实现着自我增长与突破。
进入5G时代后,Phase系列依然是公开市场的主流。自Phase7在2019年实现开门红以来,Phase7系列方案在2020年及2022年,分别演进至Phase7L及Phaes7LE,实现着方案的优化迭代。
当前5G射频前端方案
Phase7系列方案
尽管人们对5G的快速发展有所预期,但5G部署之迅速还是超过了许多人的预期。根据GSMA的数据,从发布到增长至10亿用户,3G用了11年,4G用了8年,而5G仅用了4年时间 [3]。

图:增长至10亿用户所需时间
为了支持5G的快速部署,自2018年开始,MTK联合器件与终端厂商,快速定义Phase7方案,应用于2019年发布的5G终端中。
对于平台、器件及终端厂商来说,开发新的方案存在着巨大的的风险与不确定性,更何况是5G这个对全球都还陌生的新兴事物。这种情况下,最稳妥的方案莫过于在原有方案上进行修改升级,最大化的复用原有方案。在这种思路下,Phase7方案的Sub-3GHz部分,基本照搬了原来4G时代的Phase6方案。
2019年商用之后,随着中国5G的快速部署,大家逐渐有了针对5G方案优化的思路。于是,在Phase7基础上,演进出Phase7L(Phase7 Lite)方案,将外围主集部分的LNA整合进模组中;2022年,又将4G/5G双连接支持特性加入进来,形成Phase7LE(Phase7L Enhance)方案。下图为Phase7系列Sub-3GHz部分方案演进图示[2]。

图:Phase7系列射频方案演进
但不管怎么演进,Phase7系列方案始终在4G时代已经定义好的Phase6方案的框架下。不论是整体功能、芯片尺寸、大体Pin脚位置,Phase7始终保持7.6x6.0 mm2尺寸的Low Band+GSM,与8.6x6.5 mm2尺寸的Mid/High Band的两颗L-PAMiD模组芯片方案。只靠功能的较小优化调整,来进行5G的支持。
Phase5N方案
由于演进自4G时代的PAMiD方案,Phase7系列方案有天生的劣势。比如成本高、冗余功能多、不够简洁。还有核心的一点,PAMiD方案只有国际少数头部厂商可提供,也限制了方案的充分竞争,进而制约了5G方案的大规模商用。
在2019年至2020年初完成5G的第一轮部署之后,国内厂商就开始寻找Phase7方案之外的射频前端方案。于是Phase5N方案被开发出来。
与之前的Phase系列方案不同,Phase5N并不是MTK官方定义的方案。Phase5N方案出自终端厂商的需求:既然可以从4G PAMiD方案Phase6演进出5G方案Phase7,那是否可以用4G 分立方案的Phase2,演进5G的分立方案呢?

图:5G初期射频方案的演进思路
从接下来几年的发展来看,这个结论是肯定的。在国内终端厂商,与国内器件厂商的共同努力下,Phase5N方案诞生了。Phase5N方案是基于4G Phase2的方案,增加5G NR支持,所实现的射频前端方案。

图:5G Phase5N方案的出现
5G的Phase5N方案继承了4G Phase2方案的所有特点,比如:
■较低成本
■较高灵活度
■较大尺寸
■较弱的射频性能
■较复杂的调试难度
尽管Phase5N方案有诸多性能、调试的劣势,但因为足够便宜,“一白遮百丑”,Phase5N方案广泛在对成本有诉求的终端方案中普及开来。据统计,2023年在2,0000元人民币以下的5G手机方案中,对于Sub-3GHz频段,90%以上的手机采用Phase5N方案,而不是MTK所定义的Phase7系列方案。
Phase5N方案经过国产射频前端厂商仔细迭代与充分竞争,从成本角度已经很难有方案与之匹敌。但在接下来5G演进中,Phase5N方案仍存在问题:
■Phase5N方案为分立方案,在支持海外CA,以及更多4G/5G双连接,双卡双通等新功能时,需要用到大量分立物料,造成射频前端架构复杂;
■以上场景下,射频前端方案需要借助大量的外围多P多T开关、多路器等进行方案实现,极大地加剧了BOM管控难度与管控成本;
■方案复杂度的增加也使得方案总成本快速增加;
■方案复杂度的增加使调试难度增加,并且增加后续性能管控风险。
从对当前使用的5G方案可以看到,虽然在过去4年时间里,5G手机完成了快速的规模部署,但现有方案仍然是基于原有4G方案的框架优化而来。这些方案在5G应用中已经逐渐暴露出越来越多的缺点,成为5G未来深度部署的制约。
在这种背景下,专门为5G量身打造的Phaes8方案应势而生。
Phase8方案:面向5G,应势而生
Phase8方案是MTK联合器件厂商、终端厂商自2021年就着手定义的全新5G射频前端方案。在方案定义时,市面上5G终端已有方案可以使用,再也不需要手忙脚乱的推出一版方案了。卸下包袱的整个厂商们终于有时间,可以将5G的新需求和未来演进仔细的消化梳理,定义出一版真正适用于5G的射频前端。
另外值得一提的是,随着国内终端厂商和部分国产器件厂商技术能力和产品能力的提升,Phase8还是国内终端厂商和器件厂商尝试合作,并参与定制的5G射频前端器件。
基于以上理念,Phase8方案做了以下调整与优化:
■重新定义Pin脚、尺寸,重新梳理芯片方案;
■针对5G需求优化内部拓扑,将5G系统中所需要的EN-DC、SRS开关方案考虑进来;
■针对5G应用场景,定义全新的通路隔离度、控制时序、开关架构;
■去掉4G时代的冗余功能;
■针对不同终端应用场景,定义Phase8/8M/8L方案,摆脱之前方案中的“一刀切”。
经过以上优化之后,Phase8方案成为真正5G适用优化的射频前端方案。

图:Sub-3GHz部分射频方案演进
在Phase8系列方案中,国内器件及终端厂商需要重点关注的是Phase8L方案。
Phase8与Phase8M方案的目标市场是高端及旗舰手机,方案强调强大的射频能力,以及完整的CA、EN-DC支持,采用Low band及Mid/High Band两颗L-PAMiD构成完整方案,并且采用如DS-BGA等更先进的封装,来实现更小的器件尺寸。与此相对应,成本并不是Phase8与Phase8M方案优化的主要目标。
Phase8L方案考虑的是处于2,000-4,000人民币价位带手机的需求:支持合理的5G CA及EN-DC能力;采用All-in-one的方式进行设计,只需一颗就可以进行Sub-3GHz全频段覆盖。由此可以实现性能与成本的完美平衡。
在应用上,未来5G手机应用方案演进如下图所示。

图:5G终端的射频方案
以下将对Phase8L方案进行讨论。
Phase8L方案介绍
对于射频人来说,看到Phase8L,自然而然想到Phase7系列里的Phase7L,以及Phase6系列的里的Phase6L。但Phase8L与Phase8的关系,却和Phase7L与Phase7,Phase6L与Phase6有所不同。
Phase7L/Phae6L与Phaes7/Phae6的关系,是在原版本上做演进和迭代修正,以在方案推出之后,根据实际情况实现方案的调整与优化。而Phase8L是Phase8系列中的全新定义,并不存在是在谁的基础上做“删减”。由此一来,Phase8L就可以做针对性的定义,没有了原来的枷锁与限制。
Phase8L方案形成以下优点:
■LMH+2G真正的全集成L-PAMiD 方案(All-in-one);
■面积是Phase7LE的53%;
■集成高性能/高效率2G射频通路;
■单通道4G/5G性能与Phase7LE相当;
■支持M+H,L+H双发EN-DC,支持大多数多频CA;
■针对5G需求优化内部架构,适配5G手机最新需求;
■整合周边器件,充分降低应用复杂度;
■为未来更大规模集成奠定条件。
Phase8L是L-PAMiD全集成方案
Phase8L采用L-PAMiD全集成方案进行设计。
在射频前端方案中,一直以来有一个讨论:最优方案究竟是L-PAMiD全集成方案,还是分立方案?尤其是在分立方案竞争厂商越来越多,越来越充分,价格越来越低的情况下,大家不禁要问,L-PAMiD方案还有必要吗?

图:分立方案(a)与模组方案(b)实现的射频前端系统
L-PAMiD是一种集成化的方案,它将PA、滤波器、开关、LNA等器件集成在一个模组芯片中,实现收发通路的高集成度。相比于分立方案:
■L-PAMiD可以减少器件数量与PCB面积,降低设计复杂度和成本,提高了系统的可靠性与稳定性;
■L-PAMiD可以减少不同模块间的损耗,提升射频性能,降低射频功耗,提升用户射频体验;
■L-PAMiD可以减少共用性硬件使用,减少分立器件的测试、生产成本,整体拥有更低制造成本。
综上所述,相比于分立方案,L-PAMiD在集成度、性能、制造成本方面有更大优势,长远看,L-PAMiD是终端射频方案的演进趋势[3]。
但在市场竞争中确实可以看到,分立方案比L-PAMiD方案有更低的价格。造成这种现象的主要原因有:
■分立方案可能采用更低成本的工艺来制造。比如部分分立方案采用低成本的GaAs HBT晶圆来制造,而L-PAMiD在设计之初,会选择采用较为成熟的工艺来进行设计;
■可提供分立方案的厂商较多,竞争充分且激烈,近期甚至出现不健康竞争。造成分立方案售价过低;
■L-PAMiD模组芯片中有功能冗余,造成L-PAMiD无法像分立方案快速针对应用减少冗余模块使用。
以上原因的产生,主要因为目前市面上可提供L-PAMiD的厂商较少。随着L-PAMiD供应商的增多,随着国内越来越多优秀射频前端厂商的加入,L-PAMiD产品一定会形成优化的供应链、良好的竞争,以及应用导向的设计。L-PAMiD方案与分立方案之间的成本差别,也将逐步趋于理性及合理。
Phase8L采用LMH All-in-one设计
在Phase6及Phase7系列方案中,Sub-3GHz一直采用Low Band与Mid/High Band分开的方案设计。
Phase6定义是在2016年前后,在定义时,全球4G网络正在向频谱碎片化趋势演进。为了支持4G时代频谱碎片化需求,Phase6在定义时,考虑到Low Band(<1GHz)与Mid/High Band(1-3GHz)放在同一个模组内的干扰问题,就将Low Band与Mid/High Band分成两个模组芯片。这一定义一直延续到5G时代Phase7系列方案中。

图:全球主要地区频谱分布
进入5G时代后,更多5G新频谱被开辟出来,比如n77频段(3.3GHz-4.2GHz)。拥有大带宽的新频段资源后,移动终端对于频谱需求也从4G时代碎片化频谱CA需求中解脱出来,转向对重点5G频段,以及重点4G/5G EN-DC支持上。在这种思路下,将Low Band与Mid/High Band两颗芯片独立设计就变得必要性不大了。
于是,在Phase8L的定义中,Low Band与Mid/High Band通路进行了合并,一颗芯片覆盖Sub-3GHz全频段。减少了方案面积,也降低了方案实现成本。

图:Phase8L方案
Phase8L针对5G需求优化了内部架构
Phase8L方案不仅仅是将原来Phase7系列的两颗芯片进行功能合并,而是针对5G需求进行了架构优化。
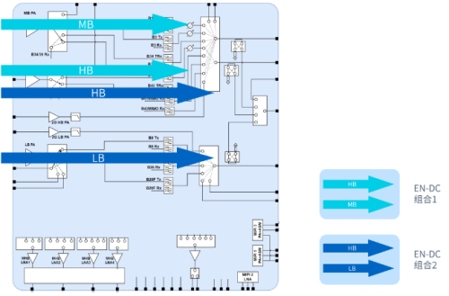
在EN-DC支持上,Phase8L方案支持Mid Band与High Band、Low Band 与High Band的两通道同时发射,同一模组可支持国内的B3与n41、B39与n41的EN-DC组合,同时支持东南亚的低频与高频的EN-DC组合。

图:Phase8L模组芯片中EN-DC组合的支持
对于Low Band与Mid Band的EN-DC,Phase8L也支持外接Low Band发射信号的输入,与模组内的Mid Band信号实现4G/5G双连接。
虽然已经进入5G时代,但2G GSM网络依然是终端必选支持的频段,以保障用户在5G网络尚不覆盖的地区使用。Phase8L的定义中,在模组内需要支持GSM功能。
2G GSM退网是最近讨论较为广泛的话题,从目前来看,较多运营商尚未有明确的退网时间表。对于终端来说,在运营商网络未完全退出前,需要保证终端2G功能的保留与可使用。Phase8L对此需求做了考虑,在模组芯片内集成2G GSM功能。

图:Phase8L模组芯片架构
Phase8L方案中还对开关功能进行了梳理和优化,针对5G SRS功能、CA及EN-DC支持等功能做了重新的定义与性能优化。减少Phaes7系列方案在应用中的干扰及De-sense问题。
5G系统应用发展中,“低压应用”是降低成本的方案之一。通过设计实现3.4V即可工作的射频前端芯片,可摆脱射频前端对升压电源芯片的支持,减少射频前端成本。目前Phase7系列射频前端均需要升压电路,完成PC2的功率支持,部分产品甚至PC3功率也需要提升电源电压。在最新的5G Phase8L设计中,终端厂商倾向于模组芯片全频支持3.4V低压电源,以达到整体方案的最优设计。

图:5G终端的3.4V PC2功率输出需求
Phase8L整合周边器件,降低方案复杂度
虽然在功能上,采用分立方案也可实现相应的5G方案,但方案复杂度将会呈数倍增加。
下图为采用Phase8L设计的5G射频前端方案,与采用分立架构设计的典型5G射频前端方案对比。

图:Phase8L L-PAMiD方案与典型分立方案BOM对比
采用分立方案进行设计时,需要采购如SP6T/SP2T等开关、多工器、多T大功率天线开关等才能完成完整方案设计,仅Sub-3GHz部分BOM数量达到20颗以上,并且器件包含PA、滤波器、发射开关、接收开关、LNA等。对供应链管理,及商业议价提出了巨大挑战。
采用Phase8L方案,仅需一颗芯片就可以完成分立方案20颗BOM所完成的功能。并且实现更好的射频性能,与更简化的调试过程。实现5G终端最优射频解决方案。
Phase8L:充分拉通讨论,提供优化选项
Phase系列射频前端方案经过了10多个年头,在这10多个年头里,国产厂商所处的位置分为三个阶段。
阶段一:跟随替代阶段
在2019年之前,国产射频前端厂商主要处理跟随阶段。在这个阶段,国产射频前端厂商没有定义的话语权,也没有对方案的理解与影响能力。
在这个阶段,国内厂商所做的主要是将国际厂商的4G产品原样复制,再以更低的价格推向市场,在国际厂商身后,赚取微薄的利润。
阶段二:并行开发阶段
经过了长期的跟随之后,部分国内射频厂商对方案有了更深的认识,部分国内厂商也积累了自主的知识产权方案。虽然这个时候国内厂商仍然没有办法去影响平台以及终端厂商的定义,但这个时期部分射频厂商已经可以基于对方案定义的理解,快速的设计出相应的射频产品。
此阶段代表型公司为慧智微。在2019年5G商用元年,慧智微基于自身的技术积累,与国际厂商同时同质推出5G新频段高集成L-PAMiF射频前端模组。使国内厂商首次在新协议推出时,与国际厂商同步推出新方案产品。
阶段三:定义参与阶段
经过了5G时代的并行积累,国内射频公司、国内终端公司对于5G方案的演进有了更深刻的认识。在5G最新的Phase8L方案定义中,国内厂商开始参与到方案的定义讨论中来,并且参与逐渐深入。
在Phase8L的定义中,慧智微参与到与头部平台、头部厂商的RFI讨论制定中。针对对于5G射频前端的理解,慧智微提出了Phase8L相关定义的建议。相信这些建议可以使5G Phase8L的开发与应用更加优化。
此外,针对5G Phase8L的应用,结合自主知识产权的射频技术方案,慧智微在5G Phase8L产品开发过程中也做了独特的架构及性能优化。慧智微也期待这些优化,可以使用户在使用中得到收益。

图:图产厂商在射频前端定义中的不同阶段
由于Phase8L方案在定义之初就得到平台厂商、终端厂商、射频器件厂商充分讨论,结合用户的实际使用场景,在设计上、实现方案、终端应用中充分优化。Phase8L方案的出现将给用户提供出集成度、性能与成本多赢的选项,帮助用户设计更优的5G终端。
总 结
5G商用 已4个年头,转眼之间5G已经从代表未来的通信技术,变成“寻常百姓”家的通信服务。
随着5G的规模化应用,人们对于5G射频方案的理解也在不断提高,原有的射频方案要么价格太贵,要么性能太差。于是射频从业者们开始思考,除了当前的射频方案,我们真的没其他选项了吗?
Phase8系列方案就是在这种场景下应势而生。尤其是All-in-one的Phase8L方案,它的出现将打破现有射频方案“成本”、“性能”二选一的纠结,它的出现将给出“性能”与“成本”更加完美平衡的解决方案。
5G时代已顺利起步,但5G未来还依然长远。5G所期待的万物互联、智能化/数据化的新时代还远没有到来,5G的射频前端方案也依然需要演进。相信5G手机及5G物联网终端在5G Phase8和未来射频方案的加持下,会更加乘风破浪,拓展更多应用场景与行业需求,实现无线连接的无限可能。
参考文献
[1]. The mobiles Economy 2023,GSMA
[2]. 从4G到5G,手机射频芯片十年之路,慧智微
[3]. 5G射频前端模组的前世与今生,慧智微
[4]. 5G Connections Forecast, GSMA










关注微博
关注微信
关注公众号
关注抖音号