全国服务热线 400-033-8869
语言
关于我们

Company Profile

PA视讯科技微波小课堂_模拟芯片历史回顾

05-17

数字电路和线性(模拟)电路可能是电子电路中最明显的分界线。从真空管到晶体管,再到集成电路,基于开关(二进制和数字信号)和放大(模拟信号)的电路一直是电子系统的核心。尽管电子技术使我们的世界变得更加数字化,但现实世界仍然顽固地保留着模拟信号。用于连接传感器和驱动执行器、放大(微弱)模拟信号、通过模拟信号处理操纵这些信号,以及最终将其转换为数字域和反之亦然的电路,过去、现在和将来都是电路设计的基础研究和开发领域。

由于该领域范围广泛,从射频电路、电源管理、基准生成、滤波器设计、振荡器到比较器和其他非线性电路,不一而足,一篇简短的评论文章显然不可能提及所有主题,更不用说涵盖所有主题了。因此,我们做出了选择。本文从放大器开始,因为放大器是决定系统性能的关键模拟构件之一。

我们简要回顾了基于集成电路的放大器的早期发展,以及放大器设计中一些杰出的电路创新。随后,我们重点介绍 ADC 的历史和技术现状、其架构以及四十年来的效率改进。最后,我们回顾了传感器接口,首先重点介绍了传感器接口的历史和各种传感器模式的技术现状,其次重点介绍了神经放大器背景下用于生物电位记录的生物医学接口电路。

通过这些不同的主题,我们倾向于强调晶体管和模拟集成电路对当今世界的重要性。

放大器

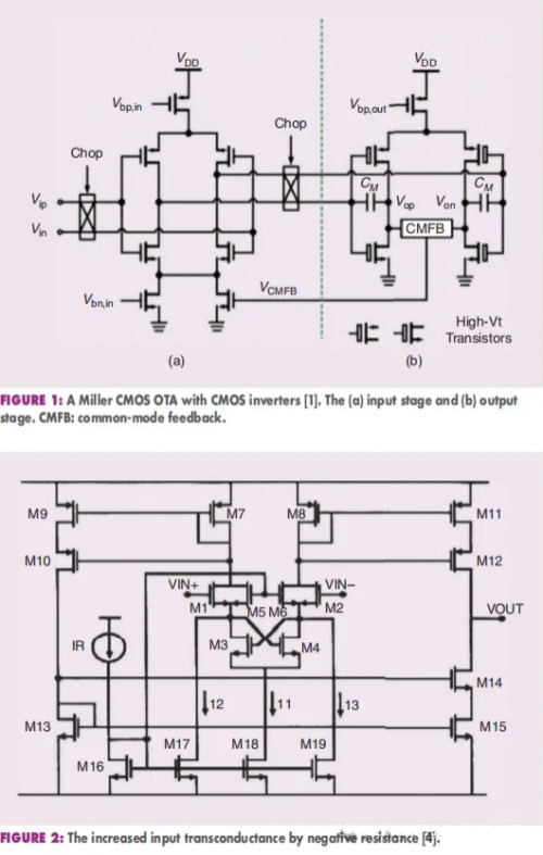
放大器是所有模拟电路的基石,因为它们用于信号调节和处理、低噪声应用、ADC 等。虽然第一个基于集成电路的运算放大器(OA)--Widlar 的 µA702 已经有两级,但无处不在的 µA741 却成为早期基于 PCB 设计的主力。它有两个级,一个差分输入级和一个 AB 类输出级。如图 1 所示,其 CMOS 等效器件仍在使用,但通常用 CMOS 反相器取代信号路径中的单晶体管。

放大器是全差分的,因此需要一个共模回馈电路。米勒补偿电容器 (CM:Miller  compensation capacitor) 设定放大器的 GBW 乘积,并确保相位裕度。斩波用于减轻偏移和 1/f 噪声。然而,这种经典设计的功率效率很低。因此,在过去几十年中,为了降低达到给定速度所需的功率,人们提出了许多其他设计,如前馈、多级、正反馈和动态架构。

使用单级绕过双级放大器称为前馈,而使用双级放大器绕过单级放大器称为增益增强。不过,这两个术语描述的电路基本相同!前馈引入了一个左平面零点(left-plane zero),通过抵消一个非显性极点来确保稳定性 。与米勒补偿相比,前馈放大器的效率可轻松提高两到三倍。

使用负阻抗或正反馈可以实现更高的效率。负电容用于扩展射频放大器的带宽由来已久,而负电阻则被用于 OA。如图 2 所示,将负电阻(M3 , M4)连接到输入对(M1, M2)的源极,可在功耗相同的情况下增加跨导和 GBW 。负电阻也可以连接到对称或负载补偿放大器输入级的负载上 [5]。它们还可用于抵消偏移和增益不足,因此是高性能放大器的推荐构件。

图片

多级放大器还能大大降低功率。在三级放大器中,第二级用于创建零点,对非主极点进行补偿。图 3 中的三级放大器[7]实现了二阶极点-零点补偿:跨导值 gmt 通常是 gm2 的两到三倍。因此,在降低第二级功耗的同时,仍可获得比传统嵌套式米勒三级放大器大约 40 倍的 GBW,从而实现放大器 FOM . 四级放大器中间级更复杂的有源滤波器可产生更惊人的 FOM = 96,000 MHz $ pF/mA 。

在采样数据系统中,使用动态放大器具有优势,因为它们只允许使用所需的带宽,从而在给定噪声要求下最大限度地降低功耗。如图 4 所示,通常使用相同的电路配置,也在所有偏置分支中使用开关。另一种类型是浮动逆变器动态放大器,在这种放大器中,切换的是叠加电压而不是放大器。这样就能以有限的功耗提供适当的偏置。

图片

通过使用更高效(如 AB 类)的放大器拓扑结构,还能进一步节省大量功耗。此外,C 类和环形振荡器放大器也能提供更好的功耗节省。尤其是 D 类放大器,其输出设备在高频率下切换,可以在极低的失真水平下提供接近 100% 的功率效率,通常用于音频应用中。图片

数据转换器

放大器的这些创新模糊了数字和模拟电路实施之间的界限,这就引出了本简要评论的第二个主题,即模拟数字接口,即数据转换器。数据转换器是模拟信号链中的最后一个或第一个环节,具体取决于信号流程。 尽管 DAC 在电子系统中也发挥着重要作用,但由于 ADC 种类更多,知名度更高,而且几乎所有 ADC 也都采用了内部 DAC,因此我们仅对 ADC 进行简要的历史回顾。由此,我们可以窥见自集成 ADC 首次出现以来 40 多年的结构创新和性能演变。Walt Kester 撰写了一本非常完整的手册,其中包括对数据转换器的大量历史概述,感兴趣的读者可参阅。

早在集成电路出现之前,人们就对量化和 ADC 的基本原理进行了探索、研究、申请专利和出版著作。其中最著名的作品有 Howard 提出的跟踪 ADC 、Inose 提出的三角积分调制器 (DSM) ,以及 Kaiser 的 SAR ADC 。

然而,在第一批集成电路出现一、二十年前,就有人提出了闪存、子量程、流水线、计数、斜率、电压-频率转换和其他 ADC 架构。这些早期的实现都基于真空管(例如,1954 年重新租用的第一个商用 SAR ADC),而在集成电路发明之后,这些实现都基于分立晶体管。但直到 20 世纪 70 年代初,才出现了基于集成电路构件的混合式和模块化 ADC,以及完全集成的数据转换器。

其中有两个值得注意:1978 年,Paul Brokaw 设计了第一款完整的单片 SAR ADC,包括基准生成,以 40 MS/s 的速度达到 10 b;1977 年,van der Plassche 设计了一阶 DSM,以 200 kHz 的时钟频率达到 6 b,包括自动归零,这两款产品都采用了bipolar技术。

20 世纪 80 年代是许多应用高速发展的时代,1988 年出现了第一个商用单片 16-b DSM。数据表上开始出现更详细的规格,如 SNR、SNDR、ENOB、SFDR、孔径抖动等。虽然集成电路技术的改进以及电路和系统研究主要决定了技术的进步,但新的独特原理仍在不断被发现。例如,时间间隔 ADC 的概念于 1980 年提出,而增量、MASH 和带通 DSM 则是在 20 世纪 80 年代末发表的。将不同的 ADC 原理组合成创新的混合形式至今仍在推动创新,例如在流水线 ADC 或 DSM 中使用 SAR 或使用基于 VCO 的量化器并将其纳入 DSM 。此外,使用 DSP 来纠正模拟电路的非理想性现在已无处不在。

随着时间的推移,已有数以千计的 ADC 设计问世,因此对其性能进行综合分析已成为一个备受关注的课题。模数转换器可能是所有电路构件中最完善的,其 FOM 是最重要的。最常用的两种方法是 1994 年提出的 Walden FOMW ,以及 Richard Schreier 于 2005 年描述的 Schreier FOMS ,但这其实早在 1997 年就已提出。如今,Boris Murmann 的性能调查涵盖了自 1998 年以来所有 IEEE 国际固态电路会议 (ISSCC) 和 IEEE 超大规模集成电路技术和电路研讨会的结果,几乎被所有数据转换器出版物普遍引用。图 5 显示了过去 40 年中报告的最佳 FOMW。

图片

令人惊叹的是,由于技术升级和电路创新,40 年来报告的最佳 ADC 效率几乎提高了六个数量级。然而,最佳报告的 FOMW 似乎已经饱和,我们也可以预见,创纪录的 FOMS 也将很快跟进。仔细观察数据可以发现,最佳 FOMS 是在有限的几类架构中获得的:中等分辨率/速度 SAR 获得了最佳 FOMW,而高分辨率低带宽噪声整形 SAR 和混合 SAR + DSM ADC 获得了最佳 FOMS。这强调了一个事实,即单一数字并不能说明全部问题,因此应在相同应用的 ADC 之间进行 FOM 比较。

此外,在报告 FOMS 时,校准引擎、抽取滤波器以及输入和参考缓冲器所消耗的功率往往被忽略。幸运的是,数据转换器界对此有很好的理解,因此人们越来越关注转换器的易驱动性、隐式滤波、更好的免校准线性度等,而不仅仅是创下新的 FOM 记录。

在过去十年中,可以观察到 ADC 的几大发展趋势。

首先,SAR ADC(主要由其在按比例 CMOS 中的卓越效率驱动)已变得无处不在,从最高能效到最快速度的时间交错 ADC 都能找到它的身影;噪声和失配误差整形的使用模糊了与 DSM 的区别,在最新技术水平中,它们通常被用作 DSM 循环的量化器。

其次,可以找到带宽惊人的 DSM,尤其是基于 CT 环路滤波器的 DSM,它们具有固有滤波功能,更易于驱动,带宽达数百兆赫兹,线性度甚至超过 100 dB。随着带宽的扩大和孔径不确定性的显著改善,奈奎斯特 ADC 的带宽已达数百兆赫兹,分辨率超过 10 b。

最后,基于时间的量化技术得益于技术的扩展,目前已成为低(或中)分辨率 ADC 或作为高分辨率 ADC 一部分的最节省面积的解决方案。

智能传感器接口

过去几十年来,直接与传感器和感应器连接的 ADC 越来越受到关注。由此,我们进入了智能传感器接口领域。如今,传感器遍布我们的家庭、汽车和手机。这些传感器大多是 "智能 "的,因为它们与放大、线性化和将微弱的模拟输出转换为稳定的数字数据所需的所有接口电路集成在一起。通过巧妙地利用硅的特性,智能传感器可以测量各种物理现象,如光、力、热和磁场等。

晶体管和集成电路的发明促进了对半导体特性的广泛研究。人们很快发现,半导体不仅可以用来制造电路,还可以用来制造传感器。20 世纪 60 年代,压力、应力、温度和磁场传感器在 ISSCC 上发表了报告。随后是图像传感器,从 CCD 开始,随后是 CMOS 图像传感器,CMOS 因其较低的制造成本而成为主流技术。人们还发现,BJT 的明确特性可用于实现精确的电压基准和温度传感器。另一项重大发展是利用微加工技术制造微机电系统 。这迅速实现了带有移动部件的传感器,如压力传感器、加速度计和陀螺仪。

早期的硅传感器通常输出较小的模拟信号,然后由外部电子设备进行放大、处理和数字化。但到了 20 世纪 70 年代,单片放大器的出现意味着放大和滤波可以在芯片上完成。最初,微调 BJT 放大器用于实现低偏移和 1/f 噪声。很快,动态误差减少技术(如斩波和自动归零)的使用使 CMOS 放大器也能实现类似的性能。此外,通过使用 DEM,增益(或比率)误差可降低到 ppm 级。这些技术的各种组合,如自动归零和斩波、嵌套斩波(nested  chopping)以及 DEM 和斩波],使得放大器具有纳伏级偏移和 ppm 级增益误差/线性度。

智能传感器发展的下一步是开发与外界连接的强大接口。20 世纪 80 年代,传感器通常采用频率和占空比调制器。通过对两电平信号转换时序中的模拟信息进行编码,此类调制器可以输出与微处理器兼容的信号,而不会限制传感器的分辨率。然而,随后转换为高分辨率数字数据需要一个低抖动的高频参考时钟。此外,由于没有标准化,因此每个传感器都需要自己特定的信号链。

随着单片 ADC,特别是 DSM 的发展,这一切都发生了改变。后者能够以速度换分辨率,这意味着传感器相对较慢的输出可以在芯片上进行数字化,而不会限制其分辨率。反过来,芯片数字化又使智能传感器能够通过标准数字总线和协议与外界通信。这使它们更易于使用,并使它们能够作为具有明确规格的独立构件在市场上销售。此外,它还使大部分所需的片上信号处理(滤波、微调和线性化)能够在数字域中灵活、精确地完成。

为了降低成本,人们致力于开发与 CMOS 兼容的传感器,这些传感器可以与其接口电子器件集成在同一芯片上。然而,除了一些例外情况(热传感器和磁场传感器),这种方法对传感器的性能造成了太多限制。如今,大多数智能传感器都采用双芯片方法,即在一个芯片(或基板)上采用优化的制造工艺实现传感器,而在另一个芯片上实现 CMOS 接口。这种方法还有利于在单个封装中集成多个传感器(见图 6)。

图片

在传感器和电路创新的推动下,智能传感器自 20 世纪 80 年代以来取得了长足的进步。基于 BJT 的温度传感器就是一个很好的例子。图 7 利用 Kofi Makinwa 在线调查中的数据绘制了其精度和能效的演变过程。虽然它们的精度现在似乎已经趋于稳定,反映了工艺扩散和校准成本所带来的限制,但它们的能效却提高了近四个数量级,反映了接口电子器件的改进。其他类型的智能传感器也有类似的发展趋势。

图片

过去二十年来,智能传感器的发展主要受移动设备和汽车应用需求的驱动。然而,当前物联网的发展趋势推动了自主智能传感器的发展,即可以利用环境能源供电、因此不需要电池的能量收集传感器。传感器融合是另一个主要趋势,这种设计将多个传感器和本地智能相结合,以实现更好的性能。图片图片

生物医学传感器接口

前面讨论的传感器接口的共同点是与传感器结合在一起,而生物医学传感器接口则与生物信号源相连。由于晶体管和集成电路的发明以及技术的扩展,电子技术得以应用于过去从未见过的领域,因此本综述的最后一部分将介绍生物医学传感器接口。电生理学研究生物细胞和组织的电特性,对了解人体功能起着至关重要的作用。它不仅涉及电压变化、电流和生物阻抗的测量,还涉及在不同尺度上对生物组织的操作。电生理学的起源可以追溯到路易吉-加尔瓦尼(Luigi Galvani)的开创性研究,他在 1791 年发现,施加电流可以激活死蛙的肌肉。这激发了人们对 "生物电 "概念的研究,并最终开发出记录组织甚至单个细胞的微小电流和电位的仪器。

晶体管和集成电路发明后,新兴的模拟电路设计技术被用于开发更先进、微型化和可植入的生物医学接口。1958 年,阿克-森宁(Ake Senning)发明了第一个植入式心脏起搏器,这是一项极具影响力的早期成果。20 世纪 70 年代,集成电路传感放大器、数字逻辑和无创电子控制的引入极大地改进了这一技术。同一年代,Kensall Wise 报道了使用植入式微电极记录大脑生物电位的开创性工作。这些发展为现代硅神经探针奠定了基础。

如今,现代电生理学技术可以精确测量来自心脏、大脑、神经和肌肉的生物电位。特别是,可穿戴式心脏监测仪已越来越受欢迎,尤其是用于对心血管疾病患者的长期监测。集成电路和技术扩展使各种生物医学设备成为可能,包括感官假体植入(如耳蜗和视网膜植入)、运动假体(如控制机械臂)、脑起搏器(即脑深部刺激器)、葡萄糖传感和胰岛素输送等。

这些生物医学应用中有许多需要专门的读出电子设备来获取高信号质量的生物电位。如图 8 所示,低噪声、高输入阻抗、高共模抑制比和大差分输入范围以避免运动伪影造成的饱和[38],对于可靠和准确的可穿戴读出系统至关重要。此外,要实现合理的电池寿命,还需要非常低的功耗。通常,全差分高输入阻抗仪表放大器(IA)用于放大生物电位信号。由于仪器放大器的特性决定了读出链的整体性能,因此人们提出了许多电路技术来满足上述要求,即使在电极极化电压产生较大直流偏移和低频漂移的情况下也能实现。为了减少共模干扰,通常会使用第三个电极,通过一个称为 "right-leg drive "的主动反馈回路将身体偏置为直流电压。

图片

使用植入式探针进行神经记录已成为测量单细胞水平神经电活动的流行方法 。硅探针具有精确的柄形、精确的制造工艺、自动化能力以及与 CMOS 电路集成等优势。图 9 展示了一个完全集成的 CMOS 探头。神经记录电路必须应对多项挑战,包括神经信号幅度小、信号频率低、电极偏移、电极阻抗高以及需要高密度神经接口。目前常用的神经读出架构有两种:一种是传统架构,包括一个增量耦合放大器和一个模数转换器;另一种是直接数字化方法,在模数转换器环路中合并了一个输入跨导级。

在 首次提出的传统架构中,交流耦合可有效阻止电极偏移,而高阻抗伪电阻则用于设置 IA 输入节点的直流偏置。交流耦合电容器必须足够大,以提供足够的增益,但也不能太大,以免交流输入阻抗过度恶化。IA 中可以使用不同的放大器架构,其中折叠级联和基于逆变器的 OTA 最受欢迎。需要优化多路复用比,以解决 ADC 及其前置驱动器所需的功率和面积之间的权衡问题 。SAR ADC 在中等分辨率和低频范围内具有良好的功耗效率,因此常用。由于传统的声耦合读出器的可扩展性有限、输入动态范围有限,而且对工艺变化的敏感性也不理想,因此最近人们开始探索直接数字读出器架构作为一种解决方案。为此,超采样 ADC 可用于开发双向神经接口的纯记录或伪影耐受架构。目前已提出了基于三角Σ调制、三角调制以及两者结合的不同读出方式;这些读出方式可以非常紧凑且可扩展。

总体而言,可穿戴和植入式生物电子学领域在不断发展和完善,新的传感器技术和电路技术不断开发,以提供更准确、更舒适的监测。在神经科学领域,硅神经探针越来越密集,如图 10 所示,可以同时记录越来越多的神经元。然而,设计具有更强并行记录能力的神经接口却面临着新的挑战:数据瓶颈。为了应对这一挑战,目前的研究重点是实现片上数据分析。这为模拟和混合信号前端设计人员带来了激动人心的设计挑战和机遇。
图片

结论

模拟电路是现实世界与电子世界的接口。75 年前晶体管的发明为我们提供了一个可以开关和放大的微型坚固器件。模拟电路以多种多样、不断变化的方式使用晶体管的这两种功能。晶体管和集成电路的发明以及随之而来的技术升级对我们世界的改变超过了人类历史上的大多数发明。技术规模的扩大为我们带来了晶体管工作速度和集成密度方面的巨大进步,但同时也加剧了晶体管的非理想性,导致了结构和电路的创新,以及广泛的数字辅助模拟电路设计。从放大器的电路创新到数据转换器的结构创新,再到传感器接口领域的系统创新,这篇综述让我们了解了模拟电路的一小部分贡献。只要我们还生活在模拟世界中,未来还会有更多的贡献和创新。

Copyright © 2011-2023  北京PA视讯科技有限公司 版权所有 京ICP备93514088号-1 All Rights Reserved
 
PA视讯
网站地图