PA视讯科技微波小课堂_相控阵天线优缺点及应用
现代雷达和通信系统依靠相控阵天线来提供波束成形和波束控制等基本功能。
波束成形为无线通信链路提供了许多优势,包括:
● 减少干扰
● 增加范围
● 扩展服务数量
● 提高安全性
什么是相控阵天线?
天线阵列需要多个单独的天线作为一个整体协同工作。相控阵天线使用数百甚至数千个天线单元。每个天线单元的辐射方向图与相邻天线结合,形成称为主瓣的有效辐射方向图。相控阵天线 (PAA) 通过算法改变每个天线元件的振幅和相位将天线辐射方向图设置到特定方向,同时并减少旁瓣水平。

天线阵列设计在波束成形的过程中最大限度地提高主瓣辐射的能量,同时减少旁瓣辐射的能量。
相控阵天线的工作原理
相控阵天线以电子方式进行波束控制,因此通常将相控阵称为电子扫描阵列(ESA)。
过去主导经典雷达系统的天线阵列是机械扫描的。一个转子操纵辐射元件,一个巨大的天线接收信号。这种方法导致系统笨重、缓慢,容易出现单点故障。自从发展到ESA技术以来,相控阵天线继续以更小的占地面积提高整体可靠性。
电子扫描相控阵的两种类型是:
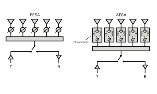
● 无源电子扫描相控阵 (PESA)
● 有源电子扫描相控阵 (AESA)
相控阵天线的关键是波束赋型,波束赋型的关键是实现对相位和幅度的控制,
相位偏移有多种方法可以实现。最简单的方法是在电路中加入移相器和数控衰减器。
相控阵天线通过对电路中幅度和相位调整,实现几乎瞬时的波束控制。

瞬时波束控制使相控阵成为现代通信系统应用的理想选择,因为与跟踪多个目标的雷达系统一样,多个波束可以同时与手机、地面站或卫星进行通信。
相控阵的缺点是什么?
相控阵天线具有显著优势,包括波束控制、灵活性。但是,相控阵必须考虑关键的权衡,尤其是技术复杂性和成本。
AESA 集成了单个天线元件和相关发射功率放大器(PA)、接收低噪声放大器(LNA)、移位器、衰减器、开关和基带控制器都集成到 T/R 模块中。

相控阵天线系统依赖于对每个天线单元信号的相位和幅度的精确控制。这种复杂性需要复杂的硬件和软件来管理阵列的操作,与简单的天线系统相比,这反过来又使设计、实施和维护更具挑战性和时间密集性。
除了设计和开发的复杂性外,集成众多组件(如移相器、放大器和控制系统)也会导致相控阵天线的高成本。
尽管存在这些缺点,但相控阵天线在许多高级应用中的优势大于缺点。
相控阵天线和线阵天线有什么区别?
相控阵和线性阵列天线都是天线阵列类型,它们由多个天线组成,它们一起工作以发送或接收信号。然而,线性天线阵列由以直线(线性)配置排列的元件组成。
与相控阵天线相比,线性阵列天线为能够承受固定波束的应用提供了更简单、更具成本效益的解决方案。当相控阵天线以电子波束控制时,天线元件的物理排列决定了线性阵列的波束方向。要改变波束方向,整个天线阵列必须移动。
相控阵天线有哪些应用?
雷达一直是相控阵天线拓扑结构的主要应用领域。发射/接收 (T/R) 模块和 GaN 功率放大器 (PA) 等组件技术的发展让组件的尺寸越来越小。
除了雷达,5G和卫星通信行业的商业通信也在使用相控阵天线。在5G应用中,大规模机器类型通信(mMTC)数据吞吐量取决于相控阵技术。同样,相控阵为新空间领域和卫星通信中日益常见的低地球轨道(LEO)卫星提供了必要的快速跟踪和连续连接。










关注微博
关注微信
关注公众号
关注抖音号