全国服务热线 400-033-8869
语言
关于我们

Company Profile

PA视讯科技微波小课堂_高效利用ADC的动态范围

06-18

动态范围(DR)是模拟-数字转换器(ADC)的一个常见性能指标。在无线通信和仪表测量等应用中,这个参数尤为重要。本文将首先解释动态范围的定义,然后我们将看到,为了高效利用ADC的动态范围,应将输入信号的幅度调整至ADC的参考电压。

ADC动态范围

动态范围定义为ADC能够可靠测量的最大值与最小值之间的比例。对于ADC来说,动态范围与用于数字化模拟信号的位数相关。以理想N位ADC为例,它能够检测到的最小值是一个最低有效位(LSB)。而最大值则是LSB值的2^N-1倍。因此,以分贝为单位表示时,ADC的动态范围将是

图片

因此,对于一个10位的ADC,我们期望其动态范围达到60.2分贝。这意味着该ADC能够解析的信号幅度范围从x到大约1000x,其中x是它能够检测到的最小信号幅度。

为何动态范围如此重要:一个实例

动态范围在通信应用中尤为重要,因为接收到的信号强度可能会有很大变化。需要注意的是,理想的无线电设备应该能够可靠地接收非常微弱和非常强烈的信号。接收机的这一大动态范围在很大程度上受到接收链中使用的ADC动态范围的影响。

ADC具有特定的动态范围,我们通常调整接收信号的幅度,以有效利用ADC可用的动态范围。

将输入信号调整至ADC的参考电压

假设我们有一个理想的四位ADC,其参考电压为2v。在这种情况下,ADC会使用16个离散来量化输入信号。假设我们将x1(t) = 1v+ 1v * sin(2πf1t)这一信号应用于该ADC,其中f1是正弦波的频率。ADC会将输入信号的幅度与其16个离散电平进行比较。

基于这种比较,将生成正弦波的数字表示。例如,将输入信号与ADC的16个离散电平进行比较的过程可能会导致图1中显示的红色曲线。在图1中,T等于1/f1。现在,将使用二进制来表示获得的阶梯状近似的每个电平。

举例来说,当红色曲线的值等于4倍的最小有效位(LSB)时,我们四位ADC的输出将是0100。

图片

图1. 应用于ADC的模拟信号(蓝色)及其阶梯近似(红色)。

现在,假设我们使用相同的ADC来数字化x2(t) = 0.25volt + 0.25volt * sin(2πf1t)。该信号的阶梯近似将如图2所示。

图片

图2

请注意,由于ADC的参考电压没有改变,其最低有效位(LSB)仍然是1/8V。如图2所示,输入信号的最大值为4LSB,它远远小于ADC的参考电压。你可能会说图2展示了我们ADC的预期功能,并没有什么问题。但实际上,这意味着ADC的动态范围并没有得到充分利用。在实际情况中,我们通常希望输入信号的幅度尽可能接近ADC的参考电压,以充分利用ADC的动态范围。

为了更好地理解这个问题,假设这个ADC被用在一个接收机中。在接收机的正常工作中,ADC应该数字化图1中所示的x1(t)信号。这就是为什么ADC的参考电压被选择为等于输入模拟信号的最大值,即2v。然而,假设在某些位置,接收到的信号很弱,ADC必须数字化如图2所示的x2(t)信号。在后一种情况下,我们仅使用4bits来数字化模拟信号,这意味着ADC的动态范围并没有得到充分利用。

在图1中,几乎可以一眼看出红色曲线是x1(t)的阶梯近似。然而,在图2中,我们几乎无法辨认出红色曲线是正弦波形的一部分的近似。这是因为第二个实验采用了较少的位近似模拟信号。在这种情况下,大于或等于4LSB的根本没有被利用。此时,ADC相当于一个参考电压为4LSB的两位ADC。实际上,ADC的位数从图1的四位减少到了图2的两位。

为了避免ADC有效位数减少的问题,我们可以简单地将弱信号乘以四倍,并将其最大值调整到ADC的参考电压。然后,如果系统后续阶段需要,我们可以考虑输入信号被额外乘以了四倍。这如图3所示。

图片

图3

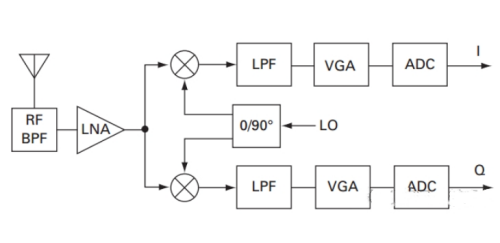
通常,当输入信号的动态范围较大时,我们可以在ADC之前使用低噪声可控增益放大器(VGA)。例如,如图4所示,一个接收器在模数转换之前可能会使用VGA。VGA的增益将根据输入信号的幅度动态调整。这将有效地扩展VGA和ADC级联的动态范围。

图片

图4

某个datasheet中给出了一个示例,即在ADC之前放置一个VGA。如果不使用VGA,10位ADC提供的动态范围约为60分贝。但是,通过使用增益范围为48分贝的低噪声VGA,VGA和10位ADC的级联提供的动态范围将超过100分贝。这一改进使得ADC能够处理更广泛范围的信号幅度,提高了系统的整体性能。

总结一下

在无线通信等某些应用中,系统需要较大的动态范围。通常,所使用的ADC的动态范围可能会限制系统的整体动态范围。在这种情况下,我们可能需要在ADC之前放置一个低噪声的可变增益放大器(VGA)。VGA将放大弱信号并衰减强信号。通过将最大输入信号调整到ADC的参考电压,可以显著提高VGA和ADC级联的动态范围。这一举措能有效提升系统在处理不同幅度信号时的性能。

Copyright © 2011-2023  北京PA视讯科技有限公司 版权所有 京ICP备93514088号-1 All Rights Reserved
 
PA视讯
网站地图